Kettenräder System Bea für Duplex Rollenketten DIN 8187
- Kategorien >
- Kettenräder >
- Kettenräder System Bea fertig gebohrt DIN 8187 >
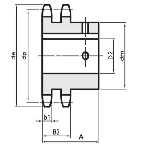
- 3/8” x 7/32” - ISO 06B-2
3/8″ x 7/32″
9,525 x 5,72 mm
Rollen Ø 6,35 mm
06B-2
| B2 mm |
B1 mm |
C mm |
r3 |
| 15,4 | 5,2 | 1 | 10 |
3/8” x 7/32” - ISO 06B-2
Zähne gefräst und induktiv gehärtet.
Einbaufertig, für diverse Wellendurchmesser.
Nut nach DIN 6885/1 auf Zahnspitze ausgerichtet,
2 Stellschraubengewinde: auf Nut ausgerichtet und einmal 90° versetzt.
- Werkstoff Stahl C45