+49 7127-980 120
|
|
AGB
|
Impressum
|
Datenschutz
Anmeldung
Produkte
Neuheiten
Kantenschutz- und Abdichtprofile
Einbaufertige Kettenräder DIN 8187
Kettenräder
Kettenradscheiben
Rollenketten
Kettenspanner
Metall-Gummipuffer
Klemmringe und Stellringe
Flanschlager - Stehlager und Gelenkköpfe
Kugellager
Kupplungen
Lineartechnik
Spannsätze - Spannelemente
Keilriemen und Zahnriemen ContiTech
Zahnriemenräder
Kegelräder
Zahnräder
Zahnstangen
Keilriemenscheiben für Taperbuchsen
Keilwellen und Keilnaben
Poly-V Keilrippenriemenscheiben für Taperbuchsen
Shop
Services
BEA
BEA Team
Karriere
Kontakt
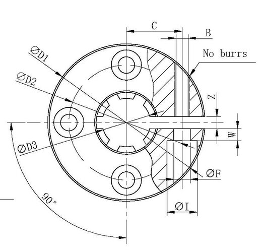
Klemmringe für Keilnaben - DIN ISO 14
Kategorien >
Keilwellen und Keilnaben
>
Keilnaben
>
Rotguss RG7
Rotguss RG7
PDF Datenblatt
PDF herunterladen
Werkstoff
Rotguss RG7
Technische Daten
Produkte werden geladen