Duplex für zweifache Rollenketten
- Kategorien >
- Kettenräder >
- Kettenräder System Bea fertig gebohrt DIN 8187 >
- Duplex für zweifache Rollenketten
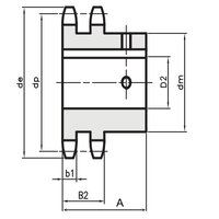
Einbaufertige Duplex Kettenräder SYSTEM BEA
Duplex - zweifache Kettenräder nach DIN 8187. Kettenräder in verschiedenen Ausführungen und Materialien sind hier auch als Rohling bestellbar.
Spezialausführungen nach Zeichnung erhalten Sie bei uns auf Anfrage.
Eigenschaften
- mit gefrästen & induktiv gehärteten Zähnen
- Nut nach DIN
- Fertigbohrung (Passung H7 nach Wahl)
- 2 Gewindebohrungen und 2 Stellschraubengewinde: 1x auf Nut ausgerichtet und 1x 90° versetzt
Ausführungen der einbaufertigen BEA SYSTEM Kettenräder
Größenübersicht Kettenräder
In folgender Tabelle finden Sie alle verfügbaren Kettenrad Größen und Durchmesser in unserem Online-Shop.
| ISO | Zoll | mm | Rollen Ø |
| 03B | 5 x 2.5 | 3.2 | |
| 04B | 6 x 2.8 | 4 | |
| 05B | 8 x 3.0 | 5 | |
| 06B | 3/8" x 7/32" | 9.525 x 5.72 | 6.35 |
| 081 | 1/2" x 1/8" | 12.7 x 3.3 | 7.75 |
| 083 | 1/2" x 3/16" | 12.7 x 4.88 | 7.75 |
| 08B | 1/2" x 5/16" | 12.7 x 7.75 | 8.51 |
| 10B | 5/8" x 3/8" | 15.875 x 9.65 | 10.16 |
| 12B | 3/4" x 7/16" | 19.05 x 11.68 | 12.07 |
| 16B | 1" x 17.02 mm | 25.4 x 17.02 | 15.88 |
| 20B | 1"1/4 x 3/4" | 31.75 x 19.56 | 19.05 |
| 24B | 1"1/2 x 1" | 38.1 x 25.4 | 25.4 |
| 28B | 1"3/4 x 1"1/4 | 44.45 x 30.99 | 27.94 |
| 32B | 2" x 1"1/4 | 50.8 x 30.99 | 29.21 |